logo

Detalles de los productos

Created with Pixso. En casa. Created with Pixso. Productos Created with Pixso.
Dispositivos de protección de la baja tensión
Created with Pixso.

Carcasa de latón resistente HMI panel táctil Balancín de armadura 1250W 11-12110-00

Carcasa de latón resistente HMI panel táctil Balancín de armadura 1250W 11-12110-00

Nombre De La Marca: Emerson
Número De Modelo: No incluye:
Cuota De Producción: 1
Precio: Negociable
Condiciones De Pago: L/C, D/A, D/P, T/T, Western Union, MoneyGram
Capacidad De Suministro: En stock
Información detallada
Lugar de origen:
América
Certificación:
CE
Detalles de empaquetado:
Caja nueva y original
Capacidad de la fuente:
En stock
Descripción del producto
Descripción detallada del producto
Marca: Emerson Modelo: 11-12110-00
Origen: 11-12110-00 CA: 120/240/480/600VAC
W: 1250W Embalaje: Cartón
Destacado:

pantalla táctil hmi

,

paneles hmi industriales

 

 

Pantalla táctil HMI Emerson GO SWITCH 11-12110-00 1250W 120/240/480/600VAC 1/2 pulg. NPT

 

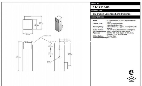
El modelo 11 de GO Switch presenta carcasas robustas y aprobaciones globales. Los contactos están clasificados para 10 amperios. Se recomiendan carcasas de acero inoxidable para entornos húmedos o agresivos. Todos los interruptores incluyen tornillos de montaje de cabeza redonda con arandela de seguridad y tuerca. El interruptor de límite sin palanca original, el GO Switch Modelo 11, presenta contactos sellados con baño de oro, detección sin contacto y respuesta de acción rápida en un diseño de interruptor cuadrado: 38 mm cuadrados x 116 mm de alto. Al igual que con todos los interruptores GO, se puede cablear CA o CC, NA o NC, no consume energía para funcionar y no tiene fugas de corriente ni caída de voltaje.

Disponible en una robusta carcasa de latón o acero inoxidable, el GO Switch Modelo 11 resiste el abuso físico, la humedad y los corrosivos. Ofrece contactos SPDT de 10 amperios que son adecuados para alta o baja corriente, así como detección lateral estándar de 10 mm, detección extendida de hasta 14 mm o detección de precisión de 6 mm. Adecuado para aplicaciones a prueba de explosiones de Zona 0, 1 o 2 (Div 1 y 2), puede soportar temperaturas de hasta 176°C y es sumergible hasta 132 metros.

El diseño simple del Modelo 11, la carcasa robusta, el largo rango de detección, la flexibilidad del cableado y las aprobaciones globales lo convierten en una opción ideal donde se necesita una detección de posición confiable.

Beneficios:

  • La robusta carcasa de latón o acero inoxidable resiste el abuso físico, la humedad, los entornos explosivos y corrosivos.
  • El inducido de balancín proporciona una acción rápida y una presión de contacto sólida, eliminando el 'contacto de contacto' y el 'parloteo de contacto' en aplicaciones de alta vibración
  • Contactos SPDT de alta resistencia con una clasificación de 10 amperios/120 VCA, 3 amperios/24 VCC, 0,5 amperios/125 VCC
  • Temperatura estándar -40°C a 105°C, opción de alta temperatura a 176°C
  • Adecuado para aplicaciones a prueba de explosiones de Zona 0, 1 o 2 (División 1 y 2)
  • El único interruptor de proximidad a prueba de explosiones del mundo con una clasificación de 10 amperios

 

 

Sensores magnéticos: Tipo de sensor: Sensor magnético inductivo; Aplicación: Detección de metales ferrosos; Estilo de montaje de la carcasa: Bloque; Posición de detección: Lateral; Cables: 3 cables; Modo de salida: SPDT; Material: Carcasa: Latón, laca negra; Tipo de conexión: Salida de conducto; Tamaño de la conexión: 1/2" NPT; Clasificación de la carcasa: Clase 1, Div. 2; Temperatura de funcionamiento: -40 a 177 grados C -40 a 350 grados F; Información adicional: Distancia de detección: 14 mm. Con imán objetivo: 95 mm no incluido; Serie del fabricante: GO Switch Serie 10

 

Información adicional: Distancia de detección: 14 mm. Con imán objetivo: 95 mm (no incluido)

 

Carcasa de latón resistente HMI panel táctil Balancín de armadura 1250W 11-12110-00 0

 

Especificaciones:

Tipo de sensor: Sensor magnético
Aplicación: Detección de metales ferrosos
Estilo de montaje de la carcasa: Bloque
Posición de detección: Lateral
Cables: 3 cables
Modo de salida: SPDT
Material - Carcasa: Latón, laca negra
Tipo de conexión: Salida de conducto
Tamaño de la conexión: 1/2 pulg. NPT
Clasificación de la carcasa: Clase 1, Div. 2
Temperatura de funcionamiento: -40 a 177 grados C (-40 a 350 grados F)

 

 

Modelos similares:

81-20546-A2 81-20516-A2
7E-33658-DCA 7G-13529-B3
73-1352T-A2 73-13523-A2
73-13524-A2 11-11524-A2